| Disponibilité : | |
|---|---|
| Quantité : | |
| Modèle Derek | Célibataire | Fréquence | Noté | Tension | Noté | Max. | Noté | Noté | Son | Poids |
| Double | Sortir | Actuel | Flux d'air | Vide | Pression | |||||
| Scène | Hz | kW | V | UN | m3/heure | mbar | mbar | dB(A) | Kilogrammes | |
| DHB 330B D55 | Célibataire | 50 | 0.55 | 200-240 △ 345-415Y | 2.8△ /1.6A | 140 | -60 | 60 | 56 | 13 |
| 60 | 0.63 | 220-275 △ 380-480Y | 3.0△ /1.7A | 165 | -50 | 50 | 58 |
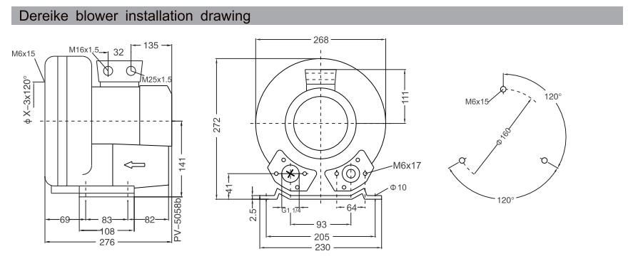
Schéma d'installation du ventilateur à canal latéral

Paramètres de vide et de pression de la série DHB

Tous les catalogues de surpresseurs à grand débit à un étage DHB
| Modèle Derek | Célibataire | Fréquence | Noté | Tension | Noté | Max. | Noté | Noté | Son | Poids |
| Double | Sortir | Actuel | Flux d'air | Vide | Pression | |||||
| Scène | Hz | kW | V | UN | m3/heure | mbar | mbar | dB(A) | Kilogrammes | |
| DHB 430A 1D3 | Célibataire | 50 | 1.3 | 200-240△ | 7.3 | 180 | -170 | 210 | 64 | 17 |
| 60 | 1.5 | 220-275△ | 8.3 | 210 | -145 | 145 | 66 | |||
| DHB 530A 1D5 | Célibataire | 50 | 1.5 | 200-240△ | 9.0 | 270 | -140 | 120 | 64 | 24 |
| 60 | 1.75 | 220-275△ | 10.0 | 330 | -110 | 100 | 70 | |||
| DHB 230B D25 | Célibataire | 50 | 0.25 | 200-240△345-415Y | 2.1△/1.2A | 105 | -80 | 70 | 54 | 10 |
| 60 | 0.29 | 220-275△380-480Y | 1,7△/1,0A | 120 | -90 | 80 | 57 | |||
| DHB 230B D40 | Célibataire | 50 | 0.4 | 200-240△345-415Y | 2,6△/1,5A | 105 | -120 | 130 | 54 | 11 |
| 60 | 0.5 | 220-275△380-480Y | 2,6△/1,5A | 120 | -150 | 160 | 57 | |||
| DHB 230B D70 | Célibataire | 50 | 0.7 | 200-240△345-415Y | 3,8△/2,2 ans | 105 | -120 | 140 | 54 | 12 |
| 60 | 0.83 | 220-275△380-480Y | 3,8△/2,2 ans | 120 | -160 | 180 | 57 | |||
| DHB 330B D55 | Célibataire | 50 | 0.55 | 200-240△345-415Y | 2.8△/1.6A | 140 | -60 | 60 | 56 | 13 |
| 60 | 0.63 | 220-275△380-480Y | 3.0△/1.7A | 165 | -50 | 50 | 58 | |||
| DHB 330B D70 | Célibataire | 50 | 0.7 | 200-240△345-415Y | 3,8△/2,2 ans | 140 | -100 | 100 | 56 | 14 |
| 60 | 0.83 | 220-275△380-480Y | 3,8△/2,2 ans | 165 | -115 | 100 | 58 | |||
| DHB430B D70 | Célibataire | 50 | 0.7 | 200-240△345-415Y | 3,8△/2,2 ans | 180 | -70 | 70 | 64 | 14 |
| 60 | 0.83 | 220-275△380-480Y | 3,8△/2,2 ans | 210 | -50 | 50 | 65 | |||
| DHB 430B D85 | Célibataire | 50 | 0.85 | 200-240△345-415Y | 4,2△/2,4 ans | 180 | -110 | 100 | 64 | 18 |
| 60 | 0.95 | 220-275△380-480Y | 4,0△/2,3 ans | 210 | -90 | 70 | 65 | |||
| DHB 430B 1D3 | Célibataire | 50 | 1.3 | 200-240△345-415Y | 6,6 △ /3,8 ans | 180 | -180 | 180 | 64 | 17 |
| 60 | 1.5 | 220-275△380-480Y | 6,9 △ /4,0 ans | 210 | -180 | 170 | 65 | |||
| DHB 530B 1D3 | Célibataire | 50 | 1.3 | 200-240△345-415Y | 5,7△/3,3 ans | 270 | -120 | 110 | 65 | 21 |
| 60 | 1.5 | 220-275△380-480Y | 5,7△/3,3 ans | 330 | -90 | 80 | 71 | |||
| DHB 530B 1D6 | Célibataire | 50 | 1.6 | 200-240△345-415Y | 7,5△/4,3 ans | 270 | -160 | 150 | 65 | 22 |
| 60 | 2.05 | 220-275△380-480Y | 7,6△/4,4 ans | 330 | -160 | 150 | 71 | |||
| DHB 530B 2D2 | Célibataire | 50 | 2.2 | 200-240△345-415Y | 9,7△/5,6 ans | 270 | -220 | 230 | 65 | 26 |
| 60 | 2.55 | 220-275△380-480Y | 10,3 △/6,0 ans | 330 | -260 | 250 | 71 | |||
| DHB 630B 1D6 | Célibataire | 50 | 1.6 | 200-240△345-415Y | 8,5△/4,9 ans | 345 | -125 | 125 | 65 | 24 |
| 60 | 2.05 | 220-275△380-480Y | 8,8△/5,1 ans | 415 | -105 | 130 | 71 | |||
| DHB 630B 2D2 | Célibataire | 50 | 2.2 | 200-240△345-415Y | 9,7△/5,6 ans | 345 | -200 | 195 | 65 | 27 |
| 60 | 2.55 | 220-275△380-480Y | 10,3 △/6,0 ans | 415 | -170 | 195 | 71 | |||
| DHB 730B 1D6 | Célibataire | 50 | 1.6 | 200-240△345-415Y | 8,5△/4,9 ans | 420 | -100 | 100 | 70 | 29 |
| 60 | 2.05 | 220-275△380-480Y | 8,8△/5,1 ans | 500 | -110 | 100 | 73 | |||
| DHB 730B 2D2 | Célibataire | 50 | 2.2 | 200-240△345-415Y | 9,7△/5,6 ans | 420 | -180 | 170 | 70 | 32 |
| 60 | 2.55 | 220-275△380-480Y | 10,0 △/5,8 ans | 500 | -160 | 150 | 73 | |||
| DHB 730B 003 | Célibataire | 50 | 3 | 200-240△345-415Y | 12,5△/7,2 ans | 420 | -220 | 200 | 70 | 37 |
| 60 | 3.45 | 220-275△380-480Y | 12,5△/7,3 ans | 500 | -200 | 170 | 73 | |||
| DHB 730C 004 | Célibataire | 50 | 4 | 345-415△600-690Y | 9,5△/5,5 ans | 420 | -260 | 310 | 70 | 43 |
| 60 | 4.6 | 380-480△660-720Y | 9,5△/5,5 ans | 500 | -260 | 280 | 73 | |||
| DHB 730C 4D3 | Célibataire | 50 | 4.3 | 345-415△600-690Y | 9,5△/5,5 ans | 420 | -260 | 280 | 70 | 44 |
| 60 | 4.8 | 380-480△660-720Y | 9,5△/5,5 ans | 500 | -260 | 260 | 73 | |||
| DHB830C 4D3 | Célibataire | 50 | 4.3 | 345-415△600-690Y | 9,5△/5,5 ans | 700 | -150 | 140 | 70 | 57 |
| 60 | 4.6 | 380-480△660-720Y | 9,5△/5,5 ans | 840 | -90 | 90 | 74 | |||
| DHB830C 5D5 | Célibataire | 50 | 5.5 | 345-415△600-690Y | 12,9 △ /7,4 ans | 700 | -200 | 190 | 70 | 66 |
| 60 | 6.3 | 380-480△660-720Y | 12,9 △ /7,45 ans | 840 | -180 | 180 | 74 | |||
| DHB 830C 7D5 | Célibataire | 50 | 7.5 | 345-415△600-690Y | 16,7△/9,6 ans | 700 | -270 | 260 | 70 | 69 |
| 60 | 8.6 | 380-480△660-720Y | 17,3 △/10,0 ans | 840 | -270 | 260 | 74 | |||
| DHB 930C 8D5 | Célibataire | 50 | 8.5 | 345-415△600-690Y | 18,2△/10,5 ans | 1370 | -120 | 110 | 75 | 98 |
| 60 | 9.8 | 380-480△660-720Y | 18,2△/10,5 ans | 1650 | -80 | 70 | 80 | |||
| DHB 930C 12D5 | Célibataire | 50 | 12.5 | 345-415△600-690Y | 28,0 △/16,2 ans | 1370 | -190 | 180 | 75 | 121 |
| 60 | 14.5 | 380-480△660-720Y | 29,0 △/16,7 ans | 1650 | -150 | 150 | 80 | |||
| DHB 930C 18D5 | Célibataire | 50 | 18.5 | 345-415△600-690Y | 37,0 △/21,0 ans | 1370 | -320 | 340 | 75 | 131 |
| 60 | 21.3 | 380-480△660-720Y | 39,0 △/22,5 ans | 1650 | -300 | 280 | 80 |